Foster–Seeley discriminator

The Foster–Seeley discriminator[1][2] is a common type of FM detector circuit, invented in 1936 by Dudley E. Foster[3] and Stuart William Seeley. The Foster–Seeley discriminator was envisioned for automatic frequency control of receivers, but also found application in demodulating an FM signal.
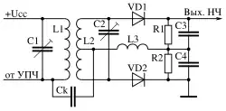
The Foster–Seeley discriminator uses a tuned RF transformer to convert frequency changes into amplitude changes. A transformer, tuned to the carrier frequency, is connected to two rectifier diodes. The circuit resembles a full bridge rectifier.
The phase of the voltage at the secondary coil depends on whether the carrier is below or above the resonance, resulting in a positive or negative shift, respectively.
The circuit makes use of the near- phase difference occurring between the voltages in two loosely coupled[4] resonant circuits at the peak frequency.
Through the coupling capacitor , the primary voltage is applied to the center tap of the secondary, producing a sum and a difference on the top and the bottom terminals thereof, respectively.
Depending on the changing phase relationship of the input signal — (and therefore ) with , the amplitude of the sum/difference at the upper or lower half, respectively, will be higher, which results in a change of the voltage across the output capacitors. The choke , sometimes replaced by a resistor, provides a DC path through the rectifier diodes.
The demodulator's bandwidth depends on the Q factor of the resonant circuit; the phase response of the secondary (and therefore, the voltage response of the circuit) to is an S-curve.
Foster–Seeley discriminators are sensitive to both frequency and amplitude variations, unlike some detectors. Therefore a limiter amplifier stage must be used before the detector, to remove amplitude variations in the signal which would be detected as noise. The limiter acts as a class-A amplifier at lower amplitudes; at higher amplitudes it becomes a saturated amplifier which clips off the peaks and limits the amplitude.
See also
Footnotes
- ^ Foster, D. E.; Seeley, S. W. (March 1937), "Automatic tuning, simplified circuits, and design practice", Proceedings of the Institute of Radio Engineers, 25 (3): 289–313, doi:10.1109/jrproc.1937.228940, part 1
- ^ 2121103, Seeley, Stuart W., "Frequency Variation Response Circuits", issued June 21, 1938
- ^ Dudley E. Foster: biographical information and photo: Proceedings of the Institute of Radio Engineers, vol. 29, page 571 (October 1941). Available on-line at: https://ieeexplore.ieee.org/stamp/stamp.jsp?arnumber=1694175
- ^ Brice, Richard, "Do you know Foster-Seeley?" (PDF), Electronics World (December 1995), archived from the original (PDF) on 27 October 2021